
一、概述
DKS-UHZ57/B保温夹套型磁翻板液位计是一种新颖的保温液位检测仪表,它利用蒸汽夹套、循环水夹套和真空夹套使液体始终工作在某一温度下,因而能效果明显地隔离冷、热传导,使液位计主体管外不会结冰、结霜,从而保证了液位计的正常使用。使用与石油、化工等系统中需要防冻、保温及加热场合的液位测量。该液位计指示清晰,观察方便,就地指示形式为红白翻柱。如配我厂生产的电阻型、电流型、开关型远传配套仪表,或连接DCS、PLC系统或配上智能光柱数显监控仪表,则可更方便地实现远距离检测、监控和报警。
二、工作原理
夹套型液位计也是根据浮力原理和磁性耦合作用研制而成。当被测容器中的液位升降时带动浮球,并通过与之相连的连杆上、下的永磁钢,经磁耦合传递到现场指示器,当液位上升时,翻柱由白色转为红色,当液位下降时,翻柱由红色转为白色,指示器的红、白界位处为容器内介质液位的实际高度从而实现液位指示。和普通磁性液位计的区别主要在主导管外加装了保温管,可在保温管和主导管的空隙内充填蒸汽、热水或抽成真空从而起到保温隔热的作用。
三、技术参数
1.测量精度:±10mm
2.测量范围:0~10000mm
3.介质密度:≥0.45g/cm3
4.介质粘度:≤0.02Pa.S>(介质工作温度下)
5.工作温度:-20℃<t≤+120℃
6.工作压力:1.0, 1.6, 2.5, 4.0 Mpa
7.连接法兰尺寸:DN25, DN40, DN50
8.能承受的蒸汽压力:<0.6MPa
9.蒸汽接口尺寸:1/2"外螺纹
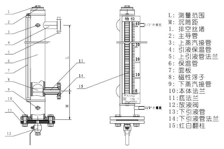
四、结构示意图
